terça-feira, 25 de outubro de 2022

AULA de HOJE - 25 de OUTUBRO - 11ºA

11ºA 11:20 às 13:10

SUMÁRIO: Exercícios de consolidação das aprendizagens.


01 - EXERCÍCIO Professor João: Interseções
Determine a interseção entre dois planos Alfa e Teta sabendo que:
- O plano Teta contém o ponto A (-3; -3; 6), é perpendicular ao Beta 1.3. e o seu traço frontal faz 30º (a.d.);
- O Plano Alfa é definido por uma reta d de maior declive;
- A reta d contém o Ponto d (3; 0; -4), e as suas projeções são perpendiculares aos traços do mesmo nome do Plano Teta.

02 - EXERCÍCIO Professor João: Interseções
Determine as projeções de uma reta i de interseção entre um plano de rampa Alfa e o Beta 2.4, sabendo que:
Dados:
- O Ponto A ( -1; 2; 3) pertence a uma reta oblíqua s cujas projeções frontal e horizontal fazem 30ª (a.d) e 60º (a.d.), respetivamente;
- O plano Alfa é paralelo à reta s e o seu traço frontal tem -5 cm de cota.

AULA de HOJE - 25 de OUTUBRO - 10ºB

 10ºB 08:15 às 10:05 

SUMÁRIO: Exercícios de consolidação das aprendizagens.

Exercício 01 - Sólido
- Determine as Projeções de uma pirâmide quadrangular regular com 7 cm de altura, sabendo que:
- A base da pirâmide é frontal e o Ponto A ( 0; 8; 5 ) é vértice do quadrado dessa base;
- O Ponto O ( -3; 8; 3 ) é o centro desse quadrado.
- O vértice V tem 1 cm de afastamento.


Вправа 01 - Тверда
- Визначте проекції правильної квадратної піраміди заввишки 7 см, знаючи, що:
- Основа піраміди є фронтальною, а точка А ( 0; 8; 5 ) є вершиною квадрата цієї основи;
- Точка O ( -3; 8; 3 ) є центром цього квадрата.
- Вершина V знаходиться на відстані 1 см одна від одної.




Exercício 21 do manual, página 101
- Determine as Projeções das retas h e r, paralelas entre si, sabendo que:
- a reta h é horizontal e contém os Pontos P ( 0; 1; 5 ) e R com - 5 cm de abcissa e 6 cm de afastamento;
- a reta r contém o Ponto T ( -2; 6; 2 );
Determine o traço frontal da reta r e os seus traços nos planos bissetores.

Підручник Вправа 21, сторінка 101
- Визначити проекції прямих h і r, паралельних одна одній, знаючи, що:
- пряма h є горизонтальною і містить точки P ( 0; 1; 5 ) і R де - 5 см абсцис i 6 см відстані;
- пряма r містить точку T ( -2; 6; 2 );
Визначити фронтальний слід прямої r та її сліди в бісектрисальних площинах.


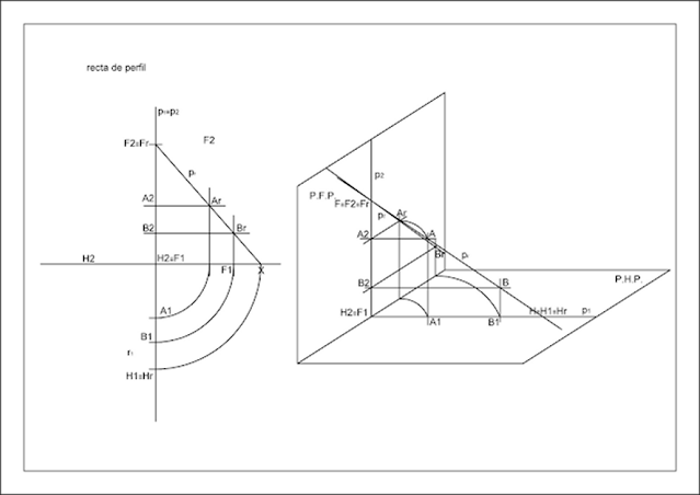
Exercício 22 do manual, página 101
- Determine as Projeções dos traços nos planos de projeção e nos planos bissetores de uma reta de perfil p definida pelos pontos A ( 3; 2; 4 ) e pelo ponto B, com 6 cm de afastamento e - 5 cm de cota.

Підручник Вправа 22, сторінка 101
- Визначити проекції слідів у площинах проекцій і бісектрисах профільної лінії p,
визначеної точками A ( 3; 2; 4 ) і точкою B, з відстанню 6 см і висотою - 5 см.




segunda-feira, 24 de outubro de 2022

AULA de HOJE - 24 de OUTUBRO - 10ºA - 10ºB

10ºA 08:15 às 10:05 e 10ºB  -10:25 às 12:10

SUMÁRIO: Exercícios de consolidação das aprendizagens.


Exercício 1: Determine as projeções de uma reta a e de uma reta b, sabendo que:

• A reta a está definida pelo ponto A ( -3,5; 5,5 ; -8 ), e pelo seu traço horizontal que tem 8 cm de afastamento e – 8 cm de abcissa.
• A reta b é paralela à reta a e contém o ponto B ( 3; 2 ; 6 ).
• Determina os pontos notáveis da reta b e indica o seu percurso no espaço.

 Вправа 1: Визначте проекції прямої a і b, знаючи, що:
• Пряма а визначається точкою А ( -3,5; 5,5 ; -8 ), а її горизонтальною лінією, відстань якої дорівнює 8 см, а абсциса – 8 см.
• Пряма b паралельна прямій a і містить точку B ( 3; 2 ; 6 ).
• Визначає примітні точки прямої b і вказує її хід у просторі.

Exercício 2: Represente duas retas r e s, complanares, sabendo que:

• As retas são concorrentes no ponto M ( -6; 2; 5 ).
• A reta r é oblíqua tem as projeções paralelas e a projeção frontal faz 60º (a.d,) com o eixo X.
• A reta s é oblíqua passante e interseta o eixo X no ponto N ( 8; 0; 0).

Вправа 2: Зобразіть дві прямі r і s, розташовані в одній площині, знаючи, що:
• прямі збігаються в точці M ( -6; 2; 5 ).
• пряма r є похилою, має паралельні проекції, а фронтальна проекція становить 60º (розрив справа) з віссю Х.
• пряма s проходить похилою і перетинає вісь X у точці N ( 8; 0; 0).


Exercício 27, página 101 do manual:

Represente as projeções das retas concorrentes, p, sabendo que:
• A reta é passante de perfil, e contém o Ponto A ( 0; 2; 3 );
• A reta é horizontal e interseta o Beta 2.4. num ponto com 5 cm de abcissa e 5 cm de cota.

Вправа 27, сторінка 101 посібника:
Зобразіть проекції паралельних прямих h і p, знаючи, що:
• Лінія p є профільним проходом і містить точку A ( 0; 2; 3 );
• Пряма h горизонтальна і перетинає Бета 2.4. у точці з 5 см абсцис і 5 см виміру.


Exercício 26, página 101 do manual:

Represente as projeções das retas concorrentes, e f, sabendo que:
• A reta s pertence ao plano bissetor dos diedros pares e interseta o eixo X num ponto com 3 cm de abcissa;
• A projeção horizontal da reta s faz um ângulo de 60º (a.d,) com o eixo X.
• A reta f é frontal e contém o Ponto P ( -4; 4; 4 );
• Determine, ainda, as projeções de uma reta r situada no Plano Horizontal de Projeção e concorrente com as retas s e f.

Вправа 26, сторінка 101 посібника:
 
Зобразіть проекції паралельних прямих s і f, знаючи, що:
• Пряма s належить площині бісектрис парних двогранників і перетинає вісь X у точці з абсцисою 3 см;
• Горизонтальна проекція прямої s утворює з віссю X кут 60º (a.d.).
• Пряма f є фронтальною і містить точку P ( -4; 4; 4 );
• Визначте також проекції прямої r, яка лежить на горизонтальній площині проекції і суміжна з прямими s і f.

quinta-feira, 20 de outubro de 2022

AULA de HOJE - 20 de OUTUBRO - 10ºA

 


 10ºA - 08:15 às 09:05 e 9:15 às 10:05

SUMÁRIO: Exercícios de consolidação das aprendizagens.

01 - Determine os traços da reta a sabendo que:
- A reta a contém o Ponto A ( -1; 3; 5 );
- As projeções frontal e horizontal da reta a são paralelas;
- A projeção horizontal da reta a faz 60º(a.e.) (abertura à esquerda) com a linha X.   
Determine TODOS os seus pontos notáveis ( Traços da reta a ).
 
02 - Determine as projeções da reta vertical v com 4 cm de afastamento
- Determine as projeções de um Ponto P, com – 6 cm de cota, pertencente à reta v;
- Determine o traço horizontal da reta v e os seus traços nos planos bissetores ( Beta 1.3 e Beta 2.4 ) .
 
03 - Determine as projeções de uma reta frontal f e todos os seus traços
(no Plano Horizontal e nos planos bissetores ( Beta 1.3 e Beta 2.4 ) sabendo que:
- A reta f contém o Ponto A ( 3; -6; 3 );
- A reta f faz um ângulo de 50º (a.d.) com o Plano Horizontal de Projeção.
- Determine as projeções de um Ponto R, com 6 cm de abcissa, pertencente à reta f;
Indique qual o Diedro ao qual pertence.
 
04 - Determine as projeções de uma reta p de perfil e todos os seus traços
(no Plano Horizontal e Frontal nos planos bissetores ( Beta 1.3 e Beta 2.4 ) sabendo que:
A reta p é definida pelos Pontos A ( 3; 4; 2 ) e B, com 3 cm de afastamento e 4 cm de cota;
- Determine, ainda, as projeções dos Pontos R com 2 cm de afastamento, e S com – 3 cm de cota,
pertencentes à reta de perfil p.
 

AULA de HOJE - 20 de OUTUBRO 2022

11ºA - 13:30 às 14:20 e 14:30 às 15:20


SUMÁRIO: Revisão de interseções e exercícios tipo 2 e 3, Figuras e seções.

 


Determine as projeções do ponto I, resultante da intersecção da reta r com o plano α.
Dados
− o plano α contém o ponto A (5; –2; 3) e o ponto B do eixo x com zero de abcissa;
− o traço horizontal do plano α faz um ângulo de 35º, de abertura para a direita, com o eixo x;
− a reta r contém o ponto P (–7; 0; 0);
− a projeção horizontal da reta r é perpendicular ao traço horizontal do plano α;
− a projeção frontal da reta r é paralela ao traço frontal do plano α.

10º B - Exercícios

 

01 - Determine os traços da reta a sabendo que:

- A reta a contém o Ponto A ( -1; 3; 5 );

- As projeções frontal e horizontal da reta a são paralelas;

- A projeção horizontal da reta a faz 60º (a.e.) ( abertura à esquerda ) com a linha X.   - Determine TODOS os seus pontos notáveis ( Traços da reta a ).

 

01 - Визначте сліди лінії a, знаючи, що:

- Пряма a містить точку A ( -1; 3; 5 );

- Фронтальна і горизонтальна проекції прямої а паралельні;

- Горизонтальна проекція лінії a становить 60º (a.e.) (розрив ліворуч) з лінією X.             - Визначте ВСІ його помітні точки ( Сліди прямої а ).

 

02 - Determine as projeções da reta vertical v com 4 cm de afastamento

- Determine as projeções de um Ponto P, com – 6 cm de cota, pertencente à reta v;

- Determine o traço horizontal da reta v e os seus traços nos planos bissetores ( Beta 1.3 e Beta 2.4 ) .

 

 

02 - Визначте проекції вертикальної прямої v з відстанню 4 см

- Визначити проекції точки P, висота якої – 6 см, що належить прямій v;

- Визначити горизонтальний слід прямої v та її сліди в бісектрисальних площинах (Бета 1.3 та Бета 2.4).

 

03 - Determine as projeções de uma reta frontal f e todos os seus traços

(no Plano Horizontal e nos planos bissetores ( Beta 1.3 e Beta 2.4 ) sabendo que:

- A reta f contém o Ponto A ( 3; -6; 3 );

- A reta f faz um ângulo de 50º (a.d.) com o Plano Horizontal de Projeção.

- Determine as projeções de um Ponto R, com 6 cm de abcissa, pertencente à reta f;

Indique qual o Diedro ao qual pertence.

 

03 - Визначити проекції фронтальної лінії f і всіх її слідів

(на горизонтальній площині та на площинах бісектрис (бета 1.3 та бета 2.4), знаючи, що:

- Пряма f містить точку A ( 3; -6; 3 );

- Лінія f утворює кут 50º (a.d.) з горизонтальною площиною проекції.

- Визначити проекції точки R, абсциса якої 6 см, що належить прямій f;

Укажіть, до якого двогранника він належить.

 

04 - Determine as projeções de uma reta p de perfil e todos os seus traços

(no Plano Horizontal e Frontal nos planos bissetores ( Beta 1.3 e Beta 2.4 ) sabendo que:

- A reta p é definida pelos Pontos A ( 3; 4; 2 ) e B, com 3 cm de afastamento e 4 cm de cota;

- Determine, ainda, as projeções dos Pontos R com 2 cm de afastamento, e S com – 3 cm de cota,

pertencentes à reta de perfil p.

 

04 - Визначити проекції профільної лінії p і всіх її трас

(на горизонтальній та фронтальній площинах у площинах бісектрис (Бета 1.3 та Бета 2.4) знаючи, що:

- Лінія p визначається точками A ( 3; 4; 2 ) і B, з відстанню 3 см і висотою 4 см;

- Визначте також проекції точок R з відстанню 2 см і S з висотою – 3 см,

що належать профільній лінії с.

quarta-feira, 19 de outubro de 2022

EXERCÍCIOS 10º A e 10º B

EXERCÍCIO de Secção:
Represente, em dupla projeção ortogonal, uma pirâmide pentagonal regular de base horizontal e ainda um plano de topo tau. Represente as projeções do contorno da secção produzida na pirâmide pelo plano tau e determine a verdadeira grandeza da secção.
Identifique, a traço interrompido, as arestas invisíveis da pirâmide.
Preencha a tracejado, a verdadeira grandeza da secção.
Dados:
– o ponto A (– 5; 9; 1,5) é um dos vértices da base [ABCDE] da pirâmide;
– o vértice V tem – 5 de abcissa, 5 de afastamento e 7 de cota;
– o plano de topo tau faz 35º (a.p.d.) com o plano horizontal de projeção e contém o vértice mais à esquerda da base da pirâmide.



 

terça-feira, 18 de outubro de 2022

 Sólidos resultantes de seções.

EXERCÍCIO 01 - Tipo 03 de Exame Nacional

Represente as projecções de um prisma pentagonal oblíquo com a base [ABCDE] contida num plano horizontal e ainda, um plano de topo ade acordo com os dados abaixo apresentados.
Determine as projecções da parte do sólido resultante da seção efetuado pelo plano de
      topo a compreendido entre o plano de topo a e o plano horizontal de projecção.
Identifique, a traço interrompido, as invisibilidades nas arestas do sólido.
      Dados:
      - a base de menor cota do sólido é o pentágono [ABCDE] que tem como centro
o ponto O (0 ;5 ;3) e como um dos seus vértices o ponto A (1,5 ; 1 ; 3);
      - as arestas laterais são frontais, medem 4 cm e fazem ângulos de 45º de abertura à direita com o plano horizontal de projeção;
      -o plano de topo contém um ponto do eixo X com -10 cm de abcissa e faz um ângulo de 30.º de abertura para a esquerda, com o plano horizontal de projeção.

Exercício 1:

Determine as projeções de uma reta r, sabendo que:

·      O traço horizontal da reta r tem abcissa nula e 6 cm de afastamento.

·      O traço frontal da reta r tem 7 cm de abcissa e -3 cm de cota.

- Desenhe os traços da reta no Beta 1.3 e no Beta 2.4..



Визначити проекції прямої r, знаючи, що:
- Горизонтальний слід лінії r має нульову абсцису і відстань 6 см.
- Передня лінія прямої r має абсцису 7 см і розмір -3 см.
- Намалюйте траси ліній у Beta 1.3 та Beta 2.4..

Exercício 2:

Represente duas retas r e s, sabendo que:

  • As retas r e s passam no mesmo ponto M ( -6; 2; 5 ).
  • A reta r é oblíqua e contém o ponto R ( 0; 7; 1 ).
  • A reta s é oblíqua passante e interseta o eixo X no ponto N ( 6; 0; 0).

Представте дві лінії r і s, знаючи, що:
- Прямі r і s проходять через одну точку M ( -6; 2; 5 ).
- Пряма r є похилою і містить точку R ( 0; 7; 1 ).
- Пряма s проходить похило і перетинає вісь X у точці N ( 6; 0; 0).

Exercício 3:

Represente duas retas m e d, sabendo que:

  • As retas m e d são paralelas ao Plano Frontal de Projeção.
  • A reta d é frontal e contém o ponto R ( 0; 5; 4 ).
  • A reta d faz 60º (a.d.) com o P.H.P.
  • A reta m tem afastamento negativo de 5 cm, todos os seus pontos existem na mesma abcissa igual a menos 4 cm.

Представте дві лінії m і d, знаючи, що:
Прямі m і d паралельні фронтальній площині проекції.
- Пряма d є фронтальною і містить точку R ( 0; 5; 4 ).
- Лінія d становить 60º (a.d.) з P.H.P.
- Пряма m має від'ємну відстань 5 см,
усі її точки знаходяться на одній абсцисі, що дорівнює мінус 4 см.


segunda-feira, 17 de outubro de 2022

AULA de HOJE - 17 de OUTUBRO - 10ºB

10ºB - 10:20 às 12:10

SUMÁRIO: Método da Dupla Projeção Ortogonal.
- RETAS e seus Pontos notáveis - O Ponto Q e o Ponto I, nos Beta 1.3 e Beta 2.4.

PRINCÍPIOS FUNDAMENTAIS NA GEOMETRIA PARA NUNCA ESQUECER;
- Cada entidade geométrica possui SEMPRE duas projeções.
- Os pontos mais importantes das retas são os seus traços H, F,
e os Pontos I (traço no Beta 2.4.) e Q (traço no Beta 1.3.).
- Um Ponto só existe numa reta se as suas projeções Horizontal e Frontal estiverem nas projeções do mesmo nome dessa reta.

Exercício 1:

Represente as projeções de uma reta horizontal h, e de uma reta de topo t sabendo que:
O ponto A ( -7; -5; 4 ) pertence à reta h, e o seu traço frontal F tem 3 cm de abcissa.
A reta de topo t tem a mesma cota da reta h e abcissa nula.
Determine o percurso da reta h no espaço e desenhe todos os seus pontos notáveis.



Exercício 2:

Determine as projeções de uma reta oblíqua g sabendo que:
O ponto A ( 0; 5; 2 ) pertence à reta g.
A projeção horizontal da reta g faz um ângulo de 25º ( a.d. ) com X;
O traço frontal F da reta g tem -10 cm de cota.
Determine o percurso da reta g no espaço e desenhe todos os seus pontos notáveis.

- A reta passa pelos Iº, IVº e IIIº Diedros.
- À esquerda de F está no IIIº Diedro, entre os traços F e H encontra-se no IVº Diedro, e à direita de H está no Iº Diedro.

AULA de HOJE - 17 de OUTUBRO - 10ºA

10ºA 08:15 às 10:05

SUMÁRIO: Método da Dupla Projeção Ortogonal.
- RETAS e seus Pontos notáveis - O Ponto Q e o Ponto I, nos Beta 1.3 e Beta 2.4.

Exercício 1:

Represente as projeções de uma reta horizontal h, e de uma reta de topo t sabendo que:
O ponto A ( -7; -5; 4 ) pertence à reta h, e o seu traço frontal F tem 3 cm de abcissa.
A reta de topo t tem a mesma cota da reta h e abcissa nula.
Determine o percurso da reta h no espaço e desenhe todos os seus pontos notáveis.


Exercício 2:

Determine as projeções de uma reta oblíqua g sabendo que:
O ponto A ( 0; 5; 2 ) pertence à reta g.
A projeção horizontal da reta g faz um ângulo de 25º ( a.d. ) com X;
O traço frontal F da reta g tem -10 cm de cota.
Determine o percurso da reta g no espaço e desenhe todos os seus pontos notáveis.

- A reta passa pelos Iº, IVº e IIIº Diedros.
- À esquerda de F está no IIIº Diedro, entre os traços F e H encontra-se no IVº Diedro, e à direita de H está no Iº Diedro.

quinta-feira, 13 de outubro de 2022

AULA de HOJE - 13 de OUTUBRO - 10ºB

10ºB 08:15 às 10:05



 

прямі лінії алфавіту

 


1 - горизонтальна лінія фронту



2 - горизонтальна лінія


3- верх прямий


4 - Передня пряма

5 - вертикальна лінія

6 - Лінія профілю